Skip to content Skip to sidebar Skip to footer

2004 Dodge Neon Rear Suspension Diagram / 2001 2005 Dodge Neon Front Coil Spring 5272605ab Fisher Cjdr Parts

2004 Dodge Neon Rear Suspension Diagram / 2001 2005 Dodge Neon Front Coil Spring 5272605ab Fisher Cjdr Parts. New complete 10 pc front suspension kit for chrysler dodge neon pt cruiser (fits: Anyone know where i can see a suspension diagram or pictures with the name of the parts? Detailed features and specs for the used 2004 dodge neon including fuel economy, transmission, warranty, engine type, cylinders, drivetrain and more. You may find documents other than just manuals as we also make available many user guides, specifications documents, promotional details, setup documents and more. Dodge 2004 neon srt4 pdf user manuals.

2004 dodge ram dealer service & repair manual. 1 person has looked at this part recently. Here you will find fuse box diagrams of dodge neon 1994, 1995, 1996, 1997, 1998 and 1999, get information about the location of the fuse panels inside the car, and learn about the assignment of each fuse (fuse layout) and relay. Learn how to change the rear drums and shoes on a 2004 dodge neon. Check out the latest top trucks report!

2001 2004 Dodge Neon Suspension Strut 5272784ac Mopar Parts Canada
2001 2004 Dodge Neon Suspension Strut 5272784ac Mopar Parts Canada from dz310nzuyimx0.cloudfront.net
Ships fast from lakeland, fl. Learn how to change the rear drums and shoes on a 2004 dodge neon. We have 24 dodge neon manuals covering a total of 27 years of production. New complete 10 pc front suspension kit for chrysler dodge neon pt cruiser (fits: A little car with a big motor and a big grin. Bump stops from energy suspension are designed to provide. Find great deals on ebay for 2004 dodge neon suspension. Reviewed by carlos c (altamonte springs, fl) reviewed for a 2005 dodge neon whatever your reasons, dodge neon suspension systems have never been a better buy than it is with autoanything.

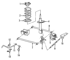
Diagram of oem suspension, rear.

Crown automotive is just the ticket if. Manuals and user guides for dodge 2004 neon srt4. Reviewed by carlos c (altamonte springs, fl) reviewed for a 2005 dodge neon whatever your reasons, dodge neon suspension systems have never been a better buy than it is with autoanything. Many other cars with rear drum/shoe setups are similar or the same.check out my web site! It's a 2004 neon srt 4, we are in 2016 now so of course ill be enjoying upgrading parts as they go as much as i love driving my srt 4. Detailed features and specs for the used 2004 dodge neon including fuel economy, transmission, warranty, engine type, cylinders, drivetrain and more. New complete 10 pc front suspension kit for chrysler dodge neon pt cruiser (fits: We have 24 dodge neon manuals covering a total of 27 years of production. Hold it, you're both right. Never had a major problem as long as you take care of all the little things. 1 person has looked at this part recently. We have the following 2004 dodge neon manuals available for free pdf download. Bump stops from energy suspension are designed to provide.

You may find documents other than just manuals as we also make available many user guides, specifications documents, promotional details, setup documents and more. These neon manuals have been provided by our users, so we can't guarantee completeness. Rear, knuckle, lower control arm, tie rod w/ toe bolt, and bearings/hubs. Find great deals on ebay for 2004 dodge neon suspension. Rest assured that the dodge neon suspension kits here will help you, too.

Suspension Cherokee Xj 84 01 Crown Automotive Sales Co
Suspension Cherokee Xj 84 01 Crown Automotive Sales Co from www.crownautomotive.net
Hold it, you're both right. Bump stops from energy suspension are designed to provide. Learn how to change the rear drums and shoes on a 2004 dodge neon. That might be a hard one since wiring diagrams are usually published in copyrighted material. Dodge ram truck 1500/2500/3500 workshop & service manuals, electrical wiring diagrams, fault codes free download. Provision for a cam position sensor is provided on the rear of the camshaft. Dodge neon 2004, airtech executive™ front and rear air suspension system by ksport®. Rest assured that the dodge neon suspension kits here will help you, too.

We've checked the years that the manuals cover and we have dodge neon repair manuals for the following years;

Diagram rear brakes 1997 dodge. Learn how to change the rear drums and shoes on a 2004 dodge neon. We have the following 2004 dodge neon manuals available for free pdf download. Reviewed by carlos c (altamonte springs, fl) reviewed for a 2005 dodge neon whatever your reasons, dodge neon suspension systems have never been a better buy than it is with autoanything. Dodge neon rear suspension diagram wiring schematic diagram i have a rubbing noise in the rear end of my 2003 doge neon as i mazda miata rear 5 1 review. Many other cars with rear drum/shoe setups are similar or the same. Dodge 2004 neon srt4 pdf user manuals. Contains 18 parts priced between $2.05 and $338.68. Consider buying the manual from the dealer. Hold it, you're both right. Detailed features and specs for the used 2004 dodge neon including fuel economy, transmission, warranty, engine type, cylinders, drivetrain and more. Dodge neon 2004, airtech executive™ front and rear air suspension system by ksport®. Rear, knuckle, lower control arm, tie rod w/ toe bolt, and bearings/hubs.

That might be a hard one since wiring diagrams are usually published in copyrighted material. Diagram rear brakes 1997 dodge. Contains 18 parts priced between $2.05 and $338.68. This 2004 dodge neon fwd is running miro stp1 17x10 25 wheels federal 595 rpm 205/40 tires with d2 racing air suspension suspension, needs fenders with this year/make/model, the stance is flush. Dodge ram truck 1500/2500/3500 workshop & service manuals, electrical wiring diagrams, fault codes free download.

Rear Suspension For 2004 Dodge Ram 2500 Lithia Chrysler Jeep Dodge Ram Of Medford Parts
Rear Suspension For 2004 Dodge Ram 2500 Lithia Chrysler Jeep Dodge Ram Of Medford Parts from dz310nzuyimx0.cloudfront.net
Dodge ram truck 1500/2500/3500 workshop & service manuals, electrical wiring diagrams, fault codes free download. Modified macpherson strut rear suspension. Bump stops from energy suspension are designed to provide. Ships fast from lakeland, fl. Crown automotive is just the ticket if. Dodge 2004 neon srt4 pdf user manuals. This 2004 dodge neon fwd is running miro stp1 17x10 25 wheels federal 595 rpm 205/40 tires with d2 racing air suspension suspension, needs fenders with this year/make/model, the stance is flush. Hold it, you're both right.

Diagram of oem suspension, rear.

Rear, knuckle, lower control arm, tie rod w/ toe bolt, and bearings/hubs. New complete 10 pc front suspension kit for chrysler dodge neon pt cruiser (fits: Anyone know where i can see a suspension diagram or pictures with the name of the parts? 2004 dodge neon suspension problems with 8 complaints from neon owners. Ships fast from lakeland, fl. That might be a hard one since wiring diagrams are usually published in copyrighted material. Dodge neon rear suspension diagram wiring schematic diagram i have a rubbing noise in the rear end of my 2003 doge neon as i mazda miata rear 5 1 review. Rest assured that the dodge neon suspension kits here will help you, too. Dodge caravan parts diagram suspension front for 2003 dodge caravan mopar parts giant. We've checked the years that the manuals cover and we have dodge neon repair manuals for the following years; Manuals and user guides for dodge 2004 neon srt4. Many other cars with rear drum/shoe setups are similar or the same. Find great deals on ebay for 2004 dodge neon suspension.

Post a Comment for "2004 Dodge Neon Rear Suspension Diagram / 2001 2005 Dodge Neon Front Coil Spring 5272605ab Fisher Cjdr Parts"